光电传感器

当前位置:网站首页 > 产品中心 > 欧姆龙 > 光电传感器

  • 欧姆龙微型光电传感器(透过型)EE-SX3239-P2
  • 本站编辑:杭州科赛控制技术有限公司发布日期:2019-08-26 16:03 浏览次数:
  • 种类
  • 额定/性能
  • 外形尺寸
  • 资料下载

EE-SX3239-P2

EE-SX3239-P2 光电IC输出型微型光电传感器[透过型]

光电IC输出型微型光电传感器[透过型]


  • 嵌入式安装型
  • 支持3种线路板厚度(t=1.0,1.2,1.6mm)
  • 高分辨率(狭片宽度0.5mm)
  • 凹槽宽度5mm
  • 因采用光电IC输出方式,可直接连接C-MOS、TTL

  • 支持Tyco Electronics AMP生产的CT系列接插件

EE-SX3239-P2参数

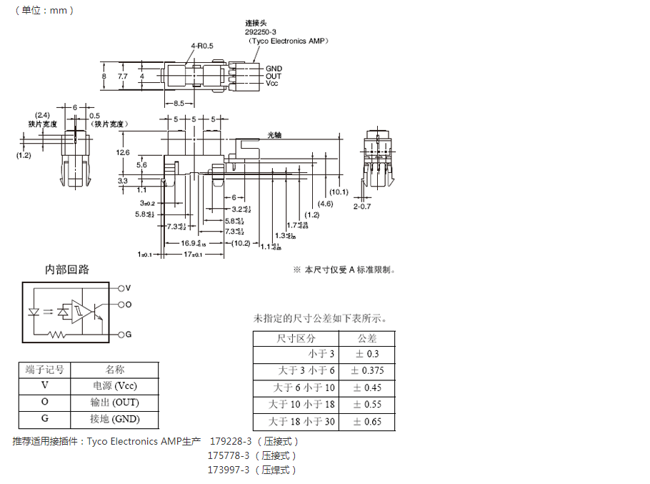
EE-SX3239-P2尺寸

EE-SX3239-P2 -datasheet-目录.pdf


“本页面中的内容有可能涉及他人知识产权,使用时请注意尊重该他人的权利。”