0571-87207399
186-7382-7958
— 服务热线 —
热门品牌:
欧姆龙轻触式开关 B3FS-1
欧姆龙 G6K系列
欧姆龙 G5NB系列
欧姆龙 G6S系列
欧姆龙 G2R系列
TE 线对板连接器端子 175
TE 线对板连接器端子 182
欧姆龙轻触式开关 B3F-40
欧姆龙功率继电器 G2R-1-
TE PCB连接器 1-1827875-2
35CP 系列工业用压力传感器
36CP 系列工业用低成本压力
TE数字压力和高度传感器模
TE PCB功率继电器 5-1423091
TE PCB功率继电器 1-1393212
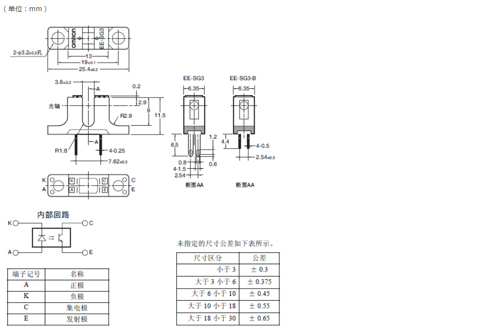
当前位置:网站首页 > 产品中心 > 欧姆龙 > 光电传感器
EE-SG3 EE-SG3-B
EE-SG3_datasheet.pdf
“本页面中的技术数据内容引自欧姆龙官方网站,并请参考欧姆龙官网的有关声明和指引。"