0571-87207399
199-4119-6259
— 服务热线 —
热门品牌:
欧姆龙轻触式开关 B3F-40
欧姆龙功率继电器 G2R-1-
TE PCB连接器 1-1827875-2
35CP 系列工业用压力传感器
36CP 系列工业用低成本压力
TE数字压力和高度传感器模
TE PCB功率继电器 5-1423091
TE PCB功率继电器 1-1393212
TE湿度和温度组合传感器
TE温度传感器元件 NB-PTCO
霍尼韦尔磁性传感器 SL3
欧姆龙连接器 XG4A-2431
欧姆龙继电器 G4A系列产品
功率继电器 G5CA
G5V系列产品
TE PCB功率继电器 1558661-3
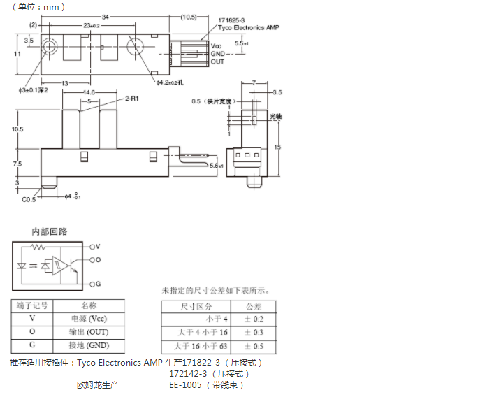
当前位置:网站首页 > 产品中心 > 欧姆龙 > 光电传感器
EE-SX3009-P1 EE-SX4009-P1
螺钉紧固型
高分辨率(狭片宽度0.5mm)
凹槽宽度5mm
因采用光电IC输出方式,可直接连接C-MOS、TTL
支持Tyco Electronics AMP生产的EI系列接插件
EE-SX3009-P1-datasheet-目录.pdf
“本页面中的技术数据内容引自欧姆龙官方网站,并请参考欧姆龙官网的有关声明和指引。"