SL353系列的低输入电压(低至2.2 Vdc),再加上非常低的平均电流(SL353LT 的典型值为1.8 µA,在同类中是最低的),可降低耗电量、延长电池寿命和提高能效。该产品有两种占空比配置,以满足各种不同的低功率应用需求:
· SL353LT:非常低的占空比(典型值为0.013%)和超低电流消耗(典型值为1.8 µA和2.8 Vdc),从而延长电池寿命,适用于由电池操作的移动应用。
· SL353HT:高占空比(典型值为13%)和低电流消耗(典型值为0.33 mA和2.8 Vdc),适用于较高切换频率的节能要求的“绿色”产品。
这款系列采用 BiCMOS IC 设计,这是霍尼韦尔的一项新技术,相对双极技术而言,该技术在增添更多性能和功能的同时减小集成电路的尺寸。
SL353 系列中的内置定时电路可以在非常短的时间内给集成电路加电(该电源在周期的其余时间是断开的),从而显著降低平均耗电量。推挽式输出不要求外接上拉电阻 器,这样可以简化与常用电路的接口,同时又能减小印刷电路板空间和降低客户成本。“非斩波器”(non-chopper)稳定化设计意味着不需要滤波器来补偿这种方法所产生的噪音,从而帮助减少印刷电路板的空间、部件数量和应用成本。平衡的集成电路能在-40°C至85°C [-40°F至185°F]的较宽温度范围内提供稳定操作。
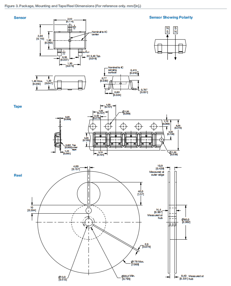
这些传感器可以由一个北极或一个南极来操作,不要求识别磁铁的极性,从而使得安装比较容易,还可降低系统成本。超小型的SOT-23 封装尺寸所需印刷电路板空间小,从而可使其用在较小的组件中。这些传感器以卷带形式供货,能进行适于自动化安装部件的紧凑型设计,从而降低制造成本。

SL353系列“微功耗全极数字式霍尔效应传感器集成电路”专为用电池操作的移动设备设计,如:笔记本电脑、扫描仪、手持式工业计算机或仪表的门或盖的关闭状态检测;移动打印机的打印头位置感应;小型手持式医疗设备或牙科设备;电池操作的注射泵、胰岛素泵或其他可穿戴的医疗器械;电池操作的手持工具的触发开关;用电池操作的安保系统中簧片开关的移位;用于建筑物门控(阵列)的磁性编码器;用电池操作的小型电器(吸尘器、风扇等)中的电源开关或闭/合 检测;以及使用电池的遥控气表或水表中气或水消耗量的测量。

“本页面中的技术数据内容引自霍尼韦尔官方网站,并请参考霍尼韦尔官网的有关声明和指引”。